粉粒体などの「受入・輸送・配合・計量」システム設計から試運転まで設備一式にて弊社で行います。また、仕様書がない段階からでも相談対応可能です。新規ラインの立ち上げだけでなく、既存ラインの改造にも多くの実績があります。
弊社の特色(強み)
計量・自動配合混合のシステムについて、特に少量の計量について豊富な実績があります。また、ブリッジが起きやすい・付着しやすいなどの扱いにくい原料についてのノウハウもあります。既存ラインの増設や改造も相談から対応可能です。
配合・計量・混合
配合リストの登録から、連続しての計量、混合、供給までの 一連動作を一括して対応します。他社設備との 連携または制御も対応しておりますので、マスターとしての役割を果たす事が可能です。
(1)自動配合・計量・混合システム
ライン増設・更新に伴って、今まで手投入していた少量の添加剤を自動投入する事をご検討のお客様は、新設・既設の改造に関わらず、ぜひご相談ください。当社に蓄積されたノウハウから、より良い解決法をご提供いたします。また、付着しやすい, 全量排出が困難、などの理由で自動化を断念されているお客さまもご相談ください。テスト段階から対応いたします。
(2)多品種製造ラインの自動化
計量と連続配合のシステムを組み合わせて、多品種製造ラインを自動化出来ます。新設・既設の改造に関わらず、システム設計段階からご相談ください。
(3)現行ラインの問題点改善
計量が安定しない、配合時間短縮したいなど、現行ラインの問題点や改善要望をご相談ください。最も良い解決法をご提案いたします。
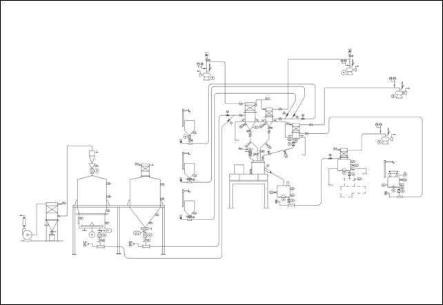
原料配合計量混合設備 例
輸送設備
吸引・圧送による空気輸送システムを主体とした、移送およびブレンドシステムの構築を行っています。新規ラインの設計から、既設ラインの改良・改造まで承っています。
(1)材料受入~出荷(梱包)までの自動化
ラインの空送・自動化により、コストダウンが可能となるだけでなく、輸送中のコンタミ防止にもつながります。
(2)原料・製品輸送ラインの空送化
輸送を空送化することにより、輸送に必要な敷地面積を最小にすることが出来、敷地を有効利用できます。
(3)集塵~再利用ラインの空送化
集塵物の貯留・輸送の空送化によって回収効率アップが可能になります。自動化も可能なため、コストダウンも見込めます。
(4)既設空送ラインの問題解決
粉漏れ、配管の閉塞、タンクのブリッジなど、お困りのことがあればご相談ください。お客様にとって最適な解決法をご提示致します。